Швеллер стальной гнутый
Профиль гнутый – вид металлопроката, имеющий П-образную форму. Высокая жесткость швеллера позволяет применять его как универсальный конструктивный элемент при создании разнообразных несущих и опорных металлоконструкций, используя способность профиля к многократному нагружению без деформаций.
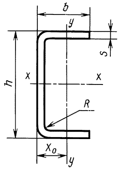
Изготовление и сортамент
При производстве гнутого швеллера находит применение технология холодной деформации. Для этого технологические линии оснащаются специальным профилегибочным оборудованием, которое из заготовки в форме листовой стали посредством механических усилий формирует готовый профиль заданных размеров. При холодной деформации изгиб, сформированный специальным прессом, имеет характерное скругление. Профилированная продукция по точности исполнения делится на три категории:
- высокой точности – класс «А»;
- обычной — «В»;
- повышенной — «Б».
Продукция категорий «А» и «Б» относится к высшей категории качества. Размеры готового швеллера согласно норм ГОСТ 8278-83 различаются в зависимости от марки использованной при производстве стали. Химический состав стали определяется нормативными требованиями ГОСТа 380-2005. На основе полуспокойных и углеродистых кипящих сталей изготавливается равнополочный профиль с размером полки от 25 мм до 410 мм с высотой граней от 26 мм до 180 мм. При этом толщина стенки находится в пределах от 2,5 мм до 8,0 мм. Масса погонного метра профилированного проката варьируется от 1,07 кг до 35,18 кг.
Из низколегированных и спокойных углеродистых сплавов стали выполнены стальные гнутые швеллеры с размерами полки от 25 мм до 310 мм и гранями от 26 мм до 160 мм. Толстостенность такого профиля находится в диапазоне от 2,0 мм до 8,0 мм, а теоретическая масса насчитывает от 1,07 кг до 30,36 кг на метр длины проката.

Госстандарт нормирует допуски на отклонения по ключевым параметрам прокат при изготовлении на заводе-изготовителе, которые не должны превышать по высоте стенки:
- для изделий высотой до 50 мм для обычной и повышенной категории точности исполнения — ± 1,0 мм, высокой точности при толщине до 2,5 мм — ±0,5 мм, более 2,5 мм — ± 0,75 мм;
- при высоте от 50 мм до 100 мм для обычной категории точности исполнения — ± 1,5 мм, повышенной — ± 1,3 мм, высокой точности при толщине до 2,5 мм — ± 0,75 мм, более 2,5 мм — ± 1,25 мм;
- при высоте от 100 мм до 150 мм для обычной точности изготовления — ± 2,0 мм, при повышенной — ± 1,5 мм, для высокой точности при значении толщины до 2,5 мм — ± 1,25 мм, более 2,5 мм — ± 1,5 мм;
- для изделий более 150 мм для обычной и повышенной категории точности исполнения — ± 2,5 мм и ± 2,0 мм соответственно, высокой точности при толщине до 2,5 мм — ±1,5 мм, более 2,5 мм — ± 2,0 мм.

По ширине полки допускается погрешность в зависимости от размеров:
- до 50 мм для обычного исполнения ± 1,5 мм, повышенной точности — ± 1,0 мм, для высокой при ширине до 2,5 мм — ± 0,5 мм, более 2,5 мм ± 1,0 мм;
- от 50 мм до 100 мм для обычного исполнения ± 2,0 мм, повышенной точности — ± 1,5 мм, для профиля высокой точности при ширине до 2,5 мм — ± 1,0 мм, более 2,5 мм ± 1,25 мм;
- от 100 мм до 150 мм для обычного исполнения ± 2,5 мм, повышенной точности — ± 2,0 мм, в исполнении высокой точности изготовления при ширине до 2,5 мм — ± 1,0 мм, более 2,5 мм ± 1,5 мм;
- более 150 мм для обычного исполнения ± 3,0 мм, повышенной точности — ± 2,5 мм, для высокой при ширине до 2,5 мм — ± 1,0 мм, более 2,5 мм ± 2,0 мм.
Допускается кривизна профиля не больше чем 0,1% от величины длины изделия, при лимитированном показателе скручивания 1 градус на метр длины, но не более 10 градусов на изделие.
Продукция изготавливается в формате мерных, немерных и кратных мерных длин в диапазоне от 3 до 11,8 метра. Точность порезки допускает плюсовое отклонение до +40 мм на продукцию длиной до 7 метров, а также +5 мм на каждый метр длины свыше 7 метров. Число мерных отрезков готового профиля в партии должно насчитывать не менее 93%. Гнутый профиль по своему конструктивному исполнению делится на равнополочные и неравнополочные изделия.
Сфера применения
Гнутый швеллер обладает высокой механической прочностью, которая превышает показатели горячекатаных изделий в области осевого момента инерции и сопротивления. В связи с этим профиль находит применение в конструкциях с повышенной нагрузкой, которые встречаются не только в сфере строительства, но и в машиностроении, авиастроении, судостроении. Швеллер может использоваться совместно с бетонными растворами для упрочнения прочности колонн и основании, несущих строительных конструкций в виде опор и перекрытий. Гнутый профиль малых размеров незаменим при проведении строительных и отделочных видов работ. Высокие эксплуатационные качества гнутого П-швеллера определяют степень его долговечности, которая насчитывает не менее 15-20 лет в зависимости от условий эксплуатации, наличия агрессивных сред.
