К техническим устройствам, которые должны присутствовать в арсенале каждого владельца загородного дома или дачи, относятся насосы для воды. С их помощью можно эффективно решать многие бытовые и хозяйственные задачи. Так, именно электронасосы являются основным элементом систем автономного водоснабжения, позволяют организовать полив приусадебного участка любой площади, перекачивать воду из различных резервуаров, искусственных и естественных водоемов и т.д. Для решения каждой из таких задач применяются различные типы и модели насосов для воды, что следует учитывать при выборе данного оборудования. Таким образом, перед посещением магазина следует разобраться в том, что собой представляют различные типы электронасосов, какими техническими и эксплуатационными характеристиками они обладают.

Правильный выбор насоса основан на предназначении оборудования для тех или иных условий эксплуатации
Особенности и назначение
Выбирая электрический водяной насос, следует учитывать, что многие модели универсальны и могут успешно применяться в различных ситуациях. Конечно, если вы используете водяной насос не по прямому назначению, вам надо учитывать технические характеристики и функциональные возможности этого устройства. Например, дренажные бытовые насосы, которые предназначены для перекачивания сильно загрязненных жидких сред, могут успешно применяться и для работы с чистой водой. Однако оборудование для жидкостей, не содержащих в своем составе твердых включений, использовать для откачивания и перекачивания загрязненной воды нельзя.
В зависимости от типа перекачиваемой жидкой среды все электронасосы делятся на две больших категории:
- предназначенные для загрязненных жидких сред;
- работающие только с чистой водой.

Поверхностные насосы для чистой воды отличаются простотой эксплуатации, небольшими размерами и хорошей экономичностью
По основной сфере применения электронасосы для воды принято классифицировать следующим образом.
- Водоподъемное насосное оборудование, как следует из его названия, обеспечивает подъем воды из подземного источника и транспортировку с требуемым напором по трубопроводной системе. Выделяют водяные насосы погружные и поверхностные – в зависимости от того, как они располагаются по отношению к источнику водоснабжения.
- Насосное оборудование циркуляционного типа предназначено для организации постоянного движения перекачиваемой жидкой среды по замкнутым трубопроводам. Такие насосы, в частности, используют для оснащения систем кондиционирования, горячего водоснабжения и отопления.
- Водяные насосы дренажного типа используются для перекачивания сильно загрязненных жидких сред. Применяя такие насосы, откачивают жидкость из погребов, подвальных помещений и резервуаров, выполняют чистку колодцев и скважин, освобождают от скопившейся воды септики и выгребные ямы.
- Фекальное насосное оборудование необходимо для перекачивания канализационных сточных вод, в составе которых могут содержаться волокнистые включения, а также нерастворимые включения крупного размера.
- Оборудование данного типа может успешно выполнять функции дренажных насосов, но использовать дренажные устройства в качестве фекальных нельзя.
- Насосы для повышения давления обеспечивают более стабильную работу системы центрального водоснабжения. Необходимость в их применении возникает в тех случаях, когда напор воды, транспортируемой по системе центрального водоснабжения, недостаточно высок для того, чтобы обеспечить нормальное функционирование всех точек водозабора в доме, а также корректную работу бытовой техники.

Самовсасывающие насосы могут забрать воду с глубины 6–9 метров и более при условии использования выносного эжектора
Таким образом, можно выделить следующие задачи, для решения которых используется водяное насосное оборудование:
- обеспечение эффективной и бесперебойной работы систем автономного водоснабжения;
- подача воды в системы орошения и полива зеленых насаждений на приусадебных участках;
- обеспечение более эффективной работы систем отопления и горячего водоснабжения;
- откачивание жидкой среды различной степени загрязнения из резервуаров, погребов и подвальных помещений, траншей, котлованов, естественных и искусственных водоемов;
- обслуживание автономных канализационных систем;
- обеспечение функционирования систем пожаротушения и кондиционирования.

Циркуляционный насос работает в системе отопления и способствует более эффективному перемещению теплоносителя
Поверхностные и погружные электронасосы
На принятие решения о том, какой насос для скважины или колодца выбрать – поверхностный или погружной (глубинный), определяющее влияние оказывает глубина, с которой необходимо откачивать воду.
Поверхностные водяные насосы для скважин и колодцев, характеризующиеся меньшей мощностью, чем погружные устройства, используются для обслуживания подземных источников, глубина которых не превышает 9 метров. Установка таких насосов может выполняться в непосредственной близости от источника водоснабжения, в подвальном помещении жилого строения или в отдельной постройке, расположенной на территории приусадебного участка. Главное, что следует учитывать при подготовке места для установки поверхностного электронасоса, – это обеспечение комфортных температурных условий (надо не допустить промерзания гидромашины в холодное время года).

Схема водоснабжения дома на базе поверхностного насоса
К преимуществам поверхностных насосов для воды следует отнести простоту установки и технического обслуживания, а среди их недостатков обычно называют:
- невысокую мощность, что не позволяет использовать такое оборудование для обслуживания скважин и колодцев значительной глубины;
- необходимость обустройства специального места для установки;
- достаточно сильный шум во время работы.
Погружные насосы для воды, помещаемые непосредственно в скважину или колодец (в водный слой), – это устройства, способные откачивать жидкую среду с глубины, находящейся на отметке 100 метров и даже больше. Погружной насос для воды способен создавать в обслуживаемой им трубопроводной системе мощный напор, которого хватает для того, чтобы обеспечить подачу воды ко всем точкам водозабора в доме под требуемым давлением. Кроме высокой мощности и производительности погружные водяные насосы для дачи и частного дома отличаются еще целым перечнем достоинств. Сюда, в частности, относятся:
- высокая надежность;
- отсутствие необходимости в обустройстве специального места для установки оборудования;
- практически полное отсутствие шума при работе.

Схема водоснабжения дома на основе погружного скважинного насоса
Между тем есть у глубинных водяных насосов и недостатки:
- сложность монтажа, технического обслуживания и ремонта;
- необходимость использования для подключения к сети электропитания высококачественного и, соответственно, дорогостоящего кабеля;
- невозможность осуществления визуального контроля за функционированием устройства.
Несмотря на вышеперечисленные недостатки, погружной водяной насос является наиболее распространенным оборудованием, используемым для оснащения систем автономного водоснабжения.
Принцип действия и конструкция
Модели бытовых погружных насосов для воды (как и поверхностных) производятся в различном конструктивном исполнении. Именно конструкция и принцип действия определяют технические характеристики и функциональные возможности насоса для воды.
Вихревые электронасосы
Устройства вихревого типа по принципу работы очень напоминают центробежные водяные насосы. Отличием таких насосов от гидромашин центробежного типа является наличие на стенках их рабочей камеры специальных канавок, по которым перекачиваемая вода перемещается по направлению к напорному патрубку. Таким образом, перекачивание жидкости насосами данного типа осуществляется не только за счет центробежной силы, создаваемой при вращении рабочего колеса, оснащенного специальными лопатками, но и благодаря приданию потоку перекачиваемой жидкости турбулентного ускорения. Всасывание новой порции воды в рабочую камеру обеспечивается за счет разрежения воздуха, создаваемого в средней части камеры при отбрасывании жидкой среды к ее стенкам.

Главная рабочая часть вихревого насоса – колесо с лопатками, расположенными в радиальном или наклонном положении
Благодаря перечисленным выше конструктивным особенностям насосы бытовые вихревого типа способны создавать поток жидкости с мощным напором, что позволяет транспортировать его по трубопроводной системе на значительные расстояния. Еще одним значимым преимуществом вихревых насосов является возможность таких устройств перекачивать жидкие среды, в составе которых присутствуют даже крупные пузырьки воздуха. Кроме того, как промышленные модели, так и бытовые центробежные насосы для воды при перекачивании жидкой среды с содержанием воздуха могут просто отключаться. Помимо вышеперечисленных достоинств, вихревые насосы, применяемые и на скважинах, и на колодцах, отличаются простотой конструкции, компактными размерами и невысокой стоимостью.
К недостаткам, которыми обладает вихревой насос для скважины или колодца, следует отнести:
- чувствительность к содержанию в составе перекачиваемой жидкой среды твердых включений даже небольшого размера;
- не слишком высокую надежность.
Вибрационные электронасосы
Конструктивные отличия вибрационных насосов для воды скважинных и колодезных от других типов насосного оборудования довольно большие. В конструкции таких насосов, что является их большим достоинством, отсутствуют вращающиеся детали и приводной электродвигатель. Благодаря данному конструктивному исполнению вибрационные насосы отличаются простотой технического обслуживания и ремонта.
Элементами конструкции насосов вибрационного типа являются:
- электрическая катушка с сердечником из ферромагнитного материала;
- металлический якорь;
- шток, соединяющий якорь с эластичной мембраной и поршнем;
- корпус, изготовленный из прочного металлического сплава и оснащенный двумя патрубками – входным и напорным;
- обратный клапан.

Устройство вибрационного погружного насоса
Принцип действия вибрационных насосов заключается в следующем. При пропускании переменного тока по виткам катушки в ее сердечнике создается магнитное поле, направление линий которого меняется с частотой 50 раз в секунду. Якорь устройства, то притягиваясь к сердечнику катушки, то отталкиваясь от него под действием магнитного поля, через шток передает возвратно-поступательное движение мембране и поршню, тоже начинающему двигаться в рабочей камере. Действуя по вышеописанному принципу, вибрационный насос всасывает порции воды, а затем выталкивает ее через напорный патрубок. Движение жидкости по магистралям такого насоса в одном направлении обеспечивает обратный клапан, который автоматически закрывается в тот момент, когда поршень начинает выталкивать жидкую среду из рабочей камеры.
Не рекомендуется использовать вибрационный насос для скважины, бурение которой выполнено на плывунах. Объясняется это тем, что, создавая вибрации в перекачиваемой жидкой среде, такой насос может постепенно разрушить шахту. По этой же причине не рекомендуется использовать такие электронасосы для скважин и колодцев, стенки которых не защищены. При погружении вибрационного насоса в подземный источник воды следует строго следить за рекомендованным производителем такого оборудования расстоянием, на котором такое устройство должно находиться от стенок и дна шахты. Если погрузить и зафиксировать насос слишком близко к стенкам и дну источника, перекачиваемая вода будет заиливаться.
Центробежные электронасосы
Центробежный насос для воды, как уже говорилось выше, является самым распространенным оборудованием, используемым для перекачивания и подачи жидкой среды в системы автономного водоснабжения. Работают насосы центробежные по такому же принципу, что и вихревые, однако на стенках их рабочих камер отсутствуют канавки, поэтому перекачивание жидкой среды обеспечивается только за счет центробежной силы. Для подъема воды из скважин или колодцев может использоваться как поверхностный, так и погружной центробежный насос, что зависит от глубины, с которой предстоит перекачивать жидкость.

Принцип работы центробежного насоса
На современном рынке представлены различные виды центробежных насосов, отличающихся друг от друга конструктивным исполнением. Так, различают центробежные насосы вида консольного, с горизонтальным или вертикальным расположением оси приводного вала и рабочего колеса, а также одно- и многоступенчатые. Устройство центробежного насоса напрямую влияет на его технические и эксплуатационные характеристики, а также область его применения.
Шнековые (винтовые) электронасосы
Шнековые, или винтовые, насосы для скважины на воду практически не используются в быту. Такое оборудование применяют преимущественно в промышленных целях. Наиболее значимым преимуществом гидромашин данного типа является возможность их использования для откачивания воды, характеризующейся высокой степенью загрязнения.

Устройство винтового насоса
Ручные насосы
В тех случаях, когда потребность в воде незначительная и возникает только периодически, для неглубокой скважины можно использовать ручную помпу, приводимую в действие за счет приложения физических усилий к рычагу такого устройства. Кроме того, ручные водяные насосы применяют и в качестве дублирующего устройства в тех случаях, когда электронасос не может функционировать из-за отсутствия напряжения в питающей сети.

Работа ручного насоса поршневого типа основана на передвижении поршня внутри колбы при воздействии на рычаг
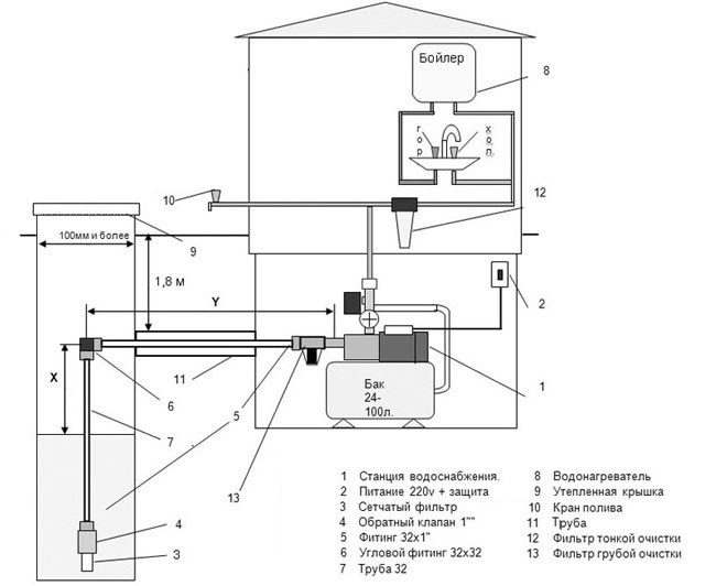
Насосные станции для скважин и колодцев
Насосные станции, применение которых позволяет обеспечить подачу воды в трубопроводную систему под постоянным давлением и без перебоев, включают в свой состав следующие технические элементы:
- центробежный водяной насос поверхностного типа;
- гидроаккумулятор, который и обеспечивает стабильное давление воды в трубопроводе, а также ее подачу в течение некоторого времени даже при неработающем насосе;
- реле, обеспечивающее автоматическое отключение и включение насосного оборудования при повышении и понижении давления в гидроаккумуляторе до критических значений;
- манометры;
- датчики, обеспечивающие защиту насосного оборудования от перегрева и работы на холостом ходу.

Насосные станции отличаются меньшим износом электродвигателей и возможностью обслуживания нескольких точек водопотребления
Критерии выбора водяного насосного оборудования
При выборе водяного насосного оборудования надо руководствоваться такими параметрами, как:
- создаваемый напор (от него зависят глубина, с которой насос сможет поднять воду, и расстояние, на которое по трубопроводу транспортируется жидкость);
- производительность, указывающая на то, какое количество воды насос сможет перекачать в единицу времени;
- мощность, потребляемая приводным двигателем;
- степень загрязненности жидкой среды, с которой может работать насос определенной модели;
- максимальная температура жидкой среды, на которую рассчитано насосное оборудование;
- наличие в базовой комплектации элементов дополнительного оснащения устройства (датчики, реле, фильтр грубой очистки, обратный клапан);
- размеры и вес устройства.
Кроме того, при выборе насосного оборудования обращают внимание на торговую марку, под которой оно произведено, а также на его стоимость.